Насосно-смесительная группа Uni-Fitt Solomix 1" c насосом Wilo RS 25/6-130 (арт. 471N1200) представляет собой компактный регулирующий модуль для водяных тёплых полов. Применяется для поддержания постоянной температуры подачи в контурах с низкотемпературным отоплением (тёплый пол или настенное отопление). Насосно-смесительная группа Uni-Fitt Solomix позволяет обслуживать системы тёплых полов площадью до 100-120 м2. Монтируется на коллекторной группе низкотемпературного контура, подключается к высокотемпературному контуру системы отопления. Насосно-смесительная группа Uni-Fitt универсальна и может быть подключена как справа, так и слева к любому коллектору с межосевым расстояния 210 мм. Ниппели разъёмных соединений группы снабжены прокладкой O-Ring, что позволяет не использовать для них дополнительные уплотнительные материалы, ускоряя и упрощая монтаж.
Насосно-смесительный узел Uni-Fitt Solomix 471N1200 укомплектован насосом Wilo Star RS 25/6-130 мощностью до 84 Вт. Частоту вращение насоса можно задать 2480, 2750 или 2840 оборотов в минуту. Корпус насоса выполнен из серого чугуна, материал вала насоса - нержавеющая сталь.
Диапазон регулировки температуры в контуре составляет от +20°C до +65°C и поддерживается термостатическим вентилем с установленной на нём головкой с погружным датчиком. Температура подачи теплоносителя отображается на термометре, имеющем шкалу от 0°C до +80°C. В качестве рабочей среды может использоваться вода или антифриз с температурой до +90°C и давлением до 10 бар. Мощность узла составляет от 10 до 12,5 кВт.
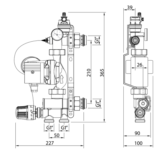
Насосно-смесительный модуль Юни-Фитт Соломикс имеет габариты (ВхШхГ) 365х227х100 мм.
Комплектация
- Верхний гидравлический блок;
- Нижний гидравлический блок;
- Крепёжная скоба коллекторной группы;
- Крепёжная скоба смесительного узла;
- Трёхходовой смесительный клапан с резьбой M30x1,5 для установки термостатической головки;
- Байпасный настроечный клапан (от 0 до 5);
- Гнездо для погружного температурного датчика на линии подачи;
- Контрольный термометр (от 0 до +80°C);
- Автоматический воздухоотводчик;
- Термостатическая головка с погружным датчиком от 20 до 65°C;
- Поворотные сливные вентили;
- Циркуляционный насос Wilo Star RS 25/6-130
- Паспорт изделия.
Рекомендации по монтажу и эксплуатации:
- Подающий коллектор располагайте сверху.
- Для корректной работы группы необходимо обеспечить минимальный перепад давления не менее 0,1 бара на подающем/обратном подключении к первичному контуру системы отопления (проще всего это условие достигается подключением группы в радиаторную систему как ещё один радиатор).
- Насосно-смесительную группу SOLOMIX оптимально устанавливать слева от коллекторной группы, но возможна установка и справа.
- Для правильной работы воздухоотводчика группы при заполнении системы нужно закрыть автоматический и открыть ручной воздухоотводчик. После заполнения необходимо закрыть ручной воздухоотводчик, закрутив его запорный элемент, и открыть автоматический клапан воздухоотводчика
- Нагрев напольной системы отопления допускается только после созревания стяжки (не менее 28 дней, если стяжка цементная). Перед укладкой напольного покрытия необходимо запустить установку, устанавливая температуру теплоносителя 25 °C и поддерживать в течение трёх дней. Затем увеличивать на 5°C каждые три дня до достижения 50°C, которые следует поддерживать в течение четырёх дней.
Документация
Технические характеристики
| Производитель | Uni-Fitt |
| Серия | Solomix |
| Артикул | 471N1200 |
| Тип | насосно-смесительная группа |
| Назначение | для водяных тёплых полов |
| Мощность узла | от 10 до 12,5 кВт |
| Площадь тёплого пола | до 120 м2 |
| Управление | термоголовка с выносным датчиком |
| Температура рабочей среды в первичном контуре | до +90°C |
| Рабочее давление | до 10 бар |
| Разница давлений первичного контура | от 0,1 до 1 бара |
| Диапазон регулирования во вторичном контуре | от +20°C до +65°C |
| Условная пропускная способность kvs | от 3 до 4,8 м3/час |
| Шкала термометра | от 0°C до +80°C |
| Диаметр подключения к высокотемпературному контуру | 1" |
| Диаметр подключения к низкотемпературному контуру | 1" ВР |
| Присоединительный диаметр к насосу | 1 1/2" |
| Укомлпектован насосом | Wilo Star RS 25/6-130 |
| Напор | 6 м |
| Частота вращения | 2480/2750/2840 об/мин |
| Потребляемая мощность | 43/61/84 Вт |
| Потребление тока I | 0,20/0,28/0,36 A |
| Материал корпуса насооса | серый чугун (EN?GJL-200) |
| Материал рабочего колеса | синтетический материал (полипропилен - 40% GF) |
| Материал вала насоса | нержавеющая сталь |
| Материал подшипников | металлографит |
| Вес насоса | 2,48 кг |
| Класс защиты | IP44 |
| Высота | 365 мм |
| Ширина | 227 мм |
| Глубина | 100 мм |
| Межосевое расстояние | 210 мм |
| Межосевое расстояние между подключениями к высокотемпературному контуру | 50 мм |
| Монтажная длина циркуляционного насоса | 130 мм |
| Вес | 6,09 кг |
| Официальная гарантия на насос | 1 год |
| Официальная гарантия производителя | 3 года |
| Страна-родина бренда | Россия |
| Страна производства | Италия |
















