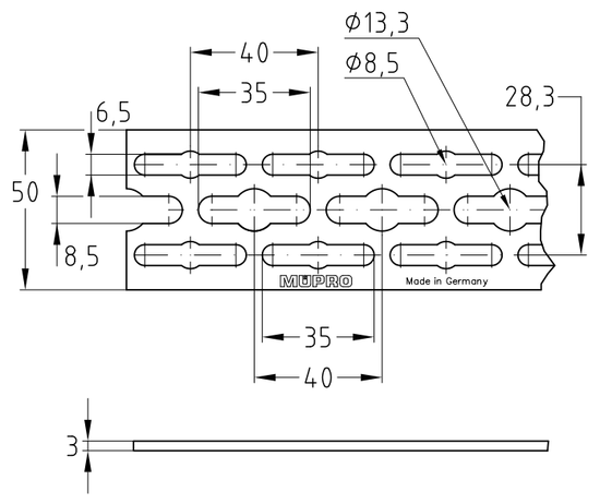
Направляющая шина Mupro StaboFix 2000x50x3 мм (арт. 129076) предназначена для монтажа в узких шахтах коммуникаций, каналах, проходках, в стене, в пазах и для пристенных конструкций. Изготовлена из оцинкованной стали.
Длина одной шины 2 метра, ширина 50 мм, толщина 3 мм. Плоскость шины имеет перфорацию по всей длине с длиной отверствий 35 мм. Ширина центральных отверстий 8,5 мм, боковых - 6,5 мм. Подобная перфорация обеспечивает простую и удобную юстировку хомутов по высоте. Двухметровый отрезок шины весит 1,417 кг.
Монтажные элементы системы Müpro StaboFix производятся в Германии на заводе в г. Франкфурт-на-Майне.
Преимущества системы Müpro StaboFix
- Широкая сфера использования: перед стеной и в стене, в пазах в кладке стены, в проходках, в шахтах коммуникаций, для пристенных конструкций, таких как умывальники и стиральные машины.
- Нужная форма направляющей StaboFix® создаётся путем простого отгибания кромок на месте сгиба.
- Фиксирующая пластина StaboFix® быстро и просто зацепляется за направляющую, обеспечивая таким образом надёжное непроворачиваемое крепление к стене.
- Специальное расположение отверстий позволяет беспроблемно закреплять все распространенные санитарные системы с соблюдением сантехнических размеров.
- Простая юстировка по высоте отвода сифона или поперечных трубопроводов посредством зажима StaboFix® и шпильки.
- Хомуты с присоединительной резьбой М8 и М8/М10 легко и быстро фиксируются с помощью винтов StaboFix®.
- Эффективный монтаж благодаря базовому ассортименту монтажных деталей. Все комплектующие крёпежной системы отлично подходят друг ко другу, упрощая и ускоряя монтаж.
- Высокое качество и прочность деталей.
Технические характеристики
| Производитель | Mupro |
| Коллекция | StaboFix |
| Артикул | 129076 |
| Тип | направляющая шина |
| Длина | 2000 мм |
| Ширина | 50 мм |
| Толщина | 3 мм |
| Размер отверстий | 35 мм |
| Материал корпуса | оцинкованная сталь |
| Вес | 1,417 кг |
| Страна производства | Германия |
| Страна-родина бренда | Германия |










