Седельный соединитель Walraven BIS RapidRail (арт.6584153) предназначен для создания конструкций из монтажных профилей WM2. Соединитель Вальравен снабжён двумя гайками быстрого монтажа BIS RapidRail M8, что позволяет сэкономить до 40% времени при его установке. Соединитель Walraven BIS RapidRail изготовлен из стали 1.0332 с электролитической оцинковой, пружина выполнена из полиоксиметилена (POM) зелёного цвета. Соединитель имеет длину 110 мм, ширину 30 мм и толщину пластины 3 мм.
Седельные соединители Walraven BIS RapidRail сертифицированы и проверены независимой организацией согласно RAL-GZ 655/D (Сертификат №2012-10).
Документация
- Седельный соединитель BIS RapidRail (G 35 50) (открыть PDF-файл)
- Брошюра "Walraven BIS RapidRail" (открыть PDF-файл)
- Walraven BIS RapidRail - Технические характеристики (открыть PDF-файл)
- Продукты, проверенные согласно RAL-GZ 655/656 (открыть PDF-файл)
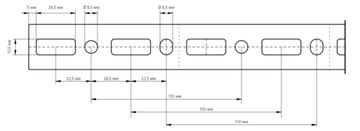
Технические характеристики
| Производитель | Walraven |
| Коллекция | BIS RapidRail |
| Модель | G 35 50 |
| Артикул | 6584153 |
| Тип | соединитель для профилей |
| Форма | седельный |
| Материал корпуса | оцинкованная сталь 1.0332 |
| Метод оцинковки | электролитическая |
| Материал пружины | полиоксиметилен (POM) |
| Цвет пружины | зелёный |
| Длина L (см. схему) | 110 мм |
| Межосевое расстояние | 80 мм |
| Толщина s (см. схему) | 3 мм |
| Высота H (см. схему) | 32мм |
| Высота h (см. схему) | 29 мм |
| Максимальная нагрузка Fa,z (см. схему) | 1226 Н |
| Tmax | 15 Nм |
| Совместимые серии профиля | WM2 |
| Официальная гарантия производителя | 3 года |
| Расчётный срок эксплуатации | 40 лет |
| Страна-родина бренда | Нидерланды |








