Вентиль ручной Oventrop HR 1190504 1/2" угловой для радиаторов позволяет точно регулировать температуру в помещении вручную. Теплоотдача отопительного прибора пропорциональна числу оборотов маховика. Такая точная регулировка достигается благодаря особой форме тарелки вентиля.
Вентиль Овентроп 1190504 применяется в однотрубных и двухтрубных системы отопления с принудительной или естественной циркуляцией. В качестве рабочей средой может выступать вода и растворы гликолей до 50% с температурой от 2°C до 120°C и давлением до 10 бар, а также пар с температурой до 110°C и давлением до 0,5 бар.
Корпус вентиля, внутренние части и резьбовое соединение изготовлены из латуни. Вентиль имеет покрытие из никеля. Шпиндель уплотнён двойным уплотнительным
кольцом из EPDM. Маховик белого цвета выполнен из ударостойкой пластмассы и выдерживает воздействие высоких температур.
Стандартное присоединение предназначено под резьбовую стальную трубу, которое также подходит для непосредственного присоединения металлопластиковой трубы "Copipe" ДУ 15. Вентиль имеет два патрубка с внутренней и наружной резьбой размером 1/2". Применяя присоединительные наборы Oventrop, можно присоединять также медную, прецизионную стальную трубу и трубу из инструментальной стали. Присоединение металлопластковой трубы Oventrop Copipe осуществляется посредством резьбовых соединений со стяжным кольцом „Cofit S” или прессовых соединений „Cofit P”.
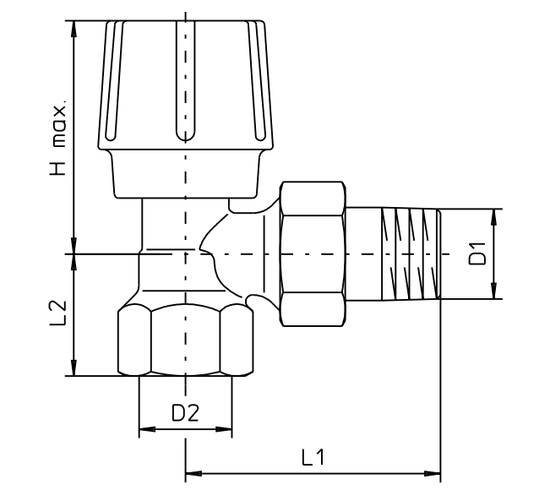
Условная пропускная способность клапана (kvs) 1,45 м3/час. Габариты вентиля (ДхШхВ) 81х81х47 мм, вес изделия составляет 250 г.
Документация
Технические характеристики
| Производитель | Oventrop |
| Серия | HR |
| Артикул | 1190504 |
| Тип | ручной вентиль |
| Тип по способу подключения к радиатору | угловой |
| Тип по количеству патрубков | двухходовой |
| Область применения | двухтрубные системы отопления с принудительной или естественной циркуляцией |
| Назначение | для резьбовых стальных, медных, прецизионных стальных и металлопластиковых труб |
| Рабочая среда | вода, пар, растворы гликолей до 50% |
| Вид подключения | резьба |
| Тип резьбы | внутренняя/наружная |
| Размер подключения | 1/2" |
| Диаметр условного прохода | 15 мм |
| Условная пропускная способность kvs | 1,45 м3/час |
| Рабочее давление | 10 бар |
| Рабочее давление для пара | 0,5 бара |
| Температура рабочей среды | от +2°C до +120°C |
| Температура пара | до +110°C |
| Кратковременная максимальная температура | +130°C |
| Материал корпуса | латунь |
| Материал покрытия | никель |
| Материал шпинделя | нержавеющая сталь |
| Материал уплотнительного кольца | EPDM |
| Материал маховика | ударостойкая пластмасса |
| Цвет маховика | белый |
| Длина | 81 мм |
| Ширина | 81 мм |
| Высота | 47 мм |
| Размер L1 (см.схему) | 57,5 мм |
| Размер L2 (см.схему) | 27,5 мм |
| Размер H (см.схему) | 55 мм |
| Вес | 250 г |
| Официальная гарантия производителя | 1 год |
| Страна производства | Германия |
| Страна-родина бренда | Германия |







