Сетчатый косой фильтр Valtec 1/2" VT.190.N.04 предназначен для очистки потока от нерастворимых механических примесей в системах трубопроводов горячей и холодной воды, сжатого воздуха, масла и жидких углеводородов при температуре транспортируемой среды до +150°C . Может устанавливаться в горизонтальном и вертикальном (движение потока – сверху–вниз) положении. Корпус и пробка изготовлены горячим прессованием из латуни марки CW617N (европейский стандарт EN 12165) и никелированы. Между ними предусмотрена тефлоновая уплотнительная прокладка. Пробка оснащена отверстием для пломбировки. Размер ячеек сетки фильтрующего элемента – 500 мкм, максимальное рабочее давление – 20 бар. Резьба присоединений – наружная/наружная, 1/2".
Для прочистки фильтра необходимо перекрыть входное запорное устройство системы, опорожнить участок трубопровода с фильтром, после чего отвернуть пробку фильтра и прочистить сетку. При сильной засоренности фильтроэлемент подлежит замене.
Вес изделия составляет 123 г.

Конструкция фильтра
| Фильтр состоит из корпуса (1), пробки (2), фильтроэлемента (3) и прокладки (4). |
Указания по монтажу
- Фильтр может устанавливаться как в горизонтальном, так и в вертикальном положении, при этом пробка фильтра должна быть направлена вниз.
- При направлении потока снизу-вверх, необходимо выполнить горизонтальный участок для правильной установки фильтра, иначе установка фильтра приведет к засорению нижнего отвода (угольника или тройника) трубопровода.
- Фильтр не должен испытывать нагрузок от трубопровода (изгиб, сжатие, растяжение, кручение, перекосы, вибрация, несоосность патрубков, неравномерность затяжки крепежа). При необходимости должны быть предусмотрены опоры или компенсаторы, снижающие нагрузку на фильтр от трубопровода. Несоосность соединяемых трубопроводов не должна превышать 3 мм при длине до 1 м плюс 1 мм на каждый последующий метр.
- Муфтовые соединения должны выполнять с использованием в качестве уплотнительных материалов ФУМ (фторопластовый уплотнительный материал).
- При монтаже фильтров не допускается превышать максимально допустимые крутящие моменты.
Документация
- Паспорт на косые сетчатые фильтры Valtec VT.190, VT.191, VT.192 (открыть PDF-файл)
- Отказное письмо в области пожарной безопасности (открыть PDF-файл)
- Декларация о соответствии техническому регламенту Таможенного союза до 2026 г. (открыть PDF-файл)
Технические характеристики
| Производитель | Valtec |
| Серия | VT.190.N |
| Артикул | VT.190.N.04 |
| Тип | фильтр |
| Вид фильтра (по очищающему элементу) | сетчатый |
| Область применения | водоснабжение, отопление, кондиционирование, сжатый воздух |
| Самоочичающийся | нет |
| Резьба | наружная-наружная |
| Способ очистки | механическая очистка |
| Материал корпуса | никелированная латунь CW617N |
| Материал пробки | никелированная латунь CW617N |
| Материал фильтроэлемента | нержавеющая сталь AISI 316 |
| Материал уплотнительной прокладки | тефлон |
| Рабочее давление | 20 бар |
| Пробное давление | 30 бар |
| Размер ячейки сетки | 500 мкм |
| Расстояние между центрами ячеек | 1,1 мм |
| Количество ячеек на см2 | 156 шт |
| Диапазон температур рабочей среды | от +5°C до +150°C |
| Транспарентность фильтроэлемента | 0,39 |
| Условная пропускная способность на чистом фильтре | 3,15 м3/час |
| Номинальный расход на чистом фильтре | 1,41 м3/час |
| Площадь поверхности фильтрации | 17,9 см2 |
| Толщина проволоки | 0,3 мм |
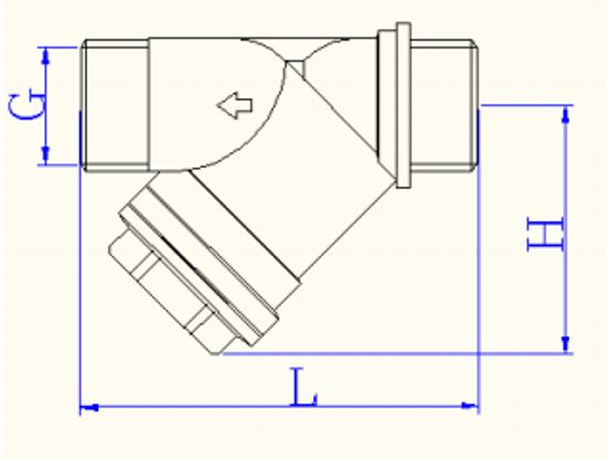
| L (см.схему) | 64 мм |
| H (см.схему) | 32 мм |
| Предельно-допустимые крутящие моменты при монтаже | 35 Нм |
| Вес | 123 г |
| Средний полный срок службы | 30 лет |
| Официальная гарантия производителя | 10 лет |
| Страна-родина бренда | Италия |










