Водонагреватель Stiebel Eltron HDB-E 12 Si представляет собой трёхфазный проточный водонагреватель с электронным управлением. Идеально подходит для использования с «жёсткой водой» благодаря особой конструкции нагревательного элемента.
Нагрев воды в водонагревателе Stiebel Eltron HDB-E 12 Si осуществляется при её прохождении через колбу, в которой она контактирует с нагревательным элементом. Такой принцип работы предусматривает высокие показатели мощности. Горячая вода начинает поступать к потребителю сразу после открытия крана. Вам не придётся ждать, пока она нагреется. За счёт того, что данный водонагреватель является напорным, существует возможность обеспечения горячей водой нескольких точек.
Ключевые особенности водонагревателя Stiebel Eltron HDB-E 12 Si
- Фиксированная температура подачи воды – +55°С
- Спиральный нагревательный элемент для эксплуатации с «жёсткой водой»
- Гидравлическое управление с помощью смесителя
- Встроенная система аварийного отключения в случае возникновения воздушных пробок
- Термостабилизатор от скачков температуры
- IP25 – защита от струй воды
- Встроенная защита от перегрева
- Возможность скрытого (трубы спрятаны в стене) и открытого монтажа
- Подходит для снабжения одной или нескольких водоразборных точек
- Не требуется проведение очистки
- Водонагреватель способен работать даже при интенсивности потока 2,3 л/мин
- Гарантия 3 года подтверждает высокую надёжность и качество
Комплектация водонагревателя Stiebel Eltron HDB-E 12 Si
- планка для подвешивания
- двойной ниппель
- крестовина
- тройник
- плоские уплотнения
- фильтр
- ограничитель расхода
- пластмассовая фасонная шайба
- пластмассовая крышка
- пластмассовые соединительные муфты
- направляющие детали крышки и задней панели
- упаковка
- инструкция по монтажу с гарантийным талоном
Особенности монтажа
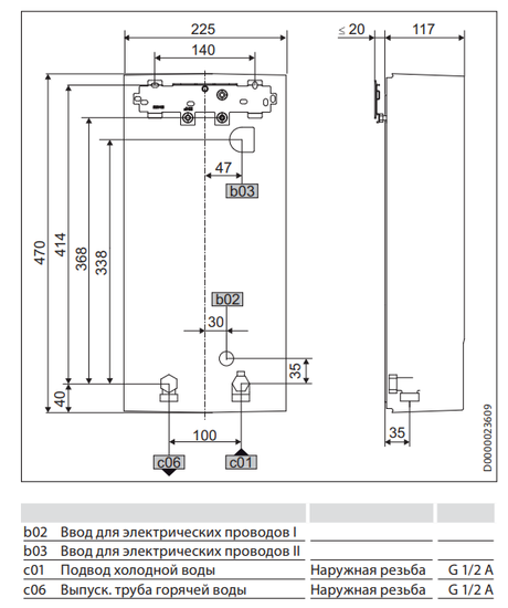
Водонагреватель Stiebel Eltron HDB-E 12 Si имеет высоту, ширину и глубину 470, 225 и 117 мм соответственно. Он может быть установлен как под раковиной, так и над ней. Это обеспечивается за счет того, что в данном устройстве реализована система нижнего подключения, которая предусматривает возможность подключения разными способами (например, при верхнем подключении монтаж водонагревателя возможен только над раковиной).
Вес данной модели нагревателя 3,6 кг. За счет этого при его установке обеспечивается небольшое усилие на несущую поверхность (стену).
Способ установки водонагревателя – вертикальный. Это очень удобно в том случае, когда имеют место проблемы с наличием свободного пространства для монтажа изделия. Эта модель может быть использована даже в небольших по размерам помещениях.
Документация
Технические характеристики
| Производитель | Stiebel Eltron |
| Серия | HDB-E Si |
| Модель | HDB-E 12 Si |
| Артикул | 232003 |
| Тип | проточный водонагреватель |
| Монтаж | вертикальный |
| Номинальный объём | 0,4 л |
| Регулировка температуры | фикс +55°C |
| Максимально допустимое давление | 1 МПа |
| Максимально допустимая температура подачи | +25°C |
| Объёмный расход при перепаде давления | 3,1 л/мин |
| Ограничение объёмного расхода | 4 л/мин |
| Мощность по горячей воде | 5,5 л/мин |
| ΔT при подаче | 28°C |
| Номинальное напряжение | 380/400/415 В |
| Номинальная мощность | 9,7/10,7/11,5 кВт |
| Номинальная сила тока | 14,4/15,5/16 А |
| Сила тока предохранителя | 16 А |
| Фазы | 3/PE |
| Частота сети | 50-60 Гц |
| Электропроводность при +15°C | 90,9 мСм/м |
| Удельное сопротивление | 1100 Ом·см |
| Присоединительный размер (холодная вода) | G 1/2" A |
| Класс защиты | I |
| Степень пылевлагозащиты | IP25 |
| Цвет | белый |
| Высота | 470 мм |
| Ширина | 225 мм |
| Глубина | 117 мм |
| Вес пустого прибора | 3,6 кг |
| Вес заполненного прибора | 4 кг |
| Страна-родина бренда | Германия |
| Страна производства | Германия |
| Официальная гарантия производителя | 3 года |







