Шаровой кран с фильтром Stout 1" с ручкой-бабочкой (арт. SVF 0002 000025) применяется в качестве запорной и водоочистной арматуры на трубопроводах систем питьевого, хозяйственного и промышленного назначения, а также на технологических трубопроводах, транспортирующих жидкости, не агрессивные к материалам крана. Наличие встроенного фильтра грубой очистки позволяет осуществлять предварительную очистку потока от механических примесей.
Основные среды применения:
- горячее водоснабжение
- отопление
- сжатый воздух
- жидкие углеводороды.
Преимущества комбинированных шаровых кранов Стаут
- кран занимает в два раза меньше места по сравнению с последовательным размещением обычного шарового крана и сетчатого фильтра;
- установка одного устройства вместо необходимых двух сокращает время монтажа;
- повышается надежность трубопровода из-за снижения количества резьбовых соединений;
- пропускная способность крана выше, чем у Y-образного сетчатого фильтра.
Условия эксплуатации шаровых кранов Стаут с фильтром
Комбинированные шаровые краны Stout SVF 0002 разрешается использовать совместо с водой и растворами гликолей (с концентрацией до 50%) при рабочем давлении до 30 бар и температуре рабочей среды от -20°C до +100°C.
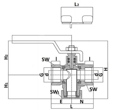
Конструкция комбинированного шарового крана Стоут
| 1 - Корпус - латунь CW617N |
Габариты шарового крана с фильтром Stout 1" SVF 0002 000025
| H - 89,5 мм |
Указания по монтажу комбинированного шарового крана 1" Stout SVF 0002 000025
- Шаровой кран Stout SVF 0002 000025 может быть установлен в любом положении – горизонтальном, вертикальном, наклонном с соблюдением направления движения транспортируемой среды (стрелка направления потока);
- Запатентованная технология позволяет использовать вместо двух шаровых кранов и фильтра - единый блок. Этим решением повышается надежность трубопровода из-за снижения количества резьбовых соединений, экономятся средства, место и время для производства монтажа;
- Для уплотнения резьбы могут использоваться любые материалы, разрешенные СП 73.13330.2016 «Внутренние санитарно-технические системы зданий»;
- Шаровые краны с фильтром STOUT должны эксплуатироваться при давлении и температуре, изложенных в паспорте изделия;
- При монтаже кранов изгибающие усилия и крутящий момент не должны превышать максимально допустимых значений;
- Трубопроводная арматура не должна испытывать нагрузок от трубопровода (изгиб, сжатие, растяжение, кручение, перекосы, вибрация, несооосность патрубков, неравномерность затяжки крепежа). При необходимости должны быть предусмотрены опоры или компенсаторы, снижающие нагрузку на арматуру от трубопровода;
- После осуществления монтажа необходимо провести испытания на герметичность соединений в соответствии с ГОСТ 24054 и ГОСТ 25136;
- Внимание! При монтаже и эксплуатации шаровых кранов, применение рычажных газовых ключей категорически запрещено!
- Внимание! Применение шаровых кранов в качестве регулирующих устройств не допускается!
Инструкция по очистке комбинированных шаровых кранов Stout SVF 0002
При эксплуатации шаровых кранов с фильтром Stout SVF 0002 потеря давления в системе может быть обусловлена засором фильтрующего элемента. Для устранения засора необходимо произвести действия по его очистке. При очистке фильтрующего элемента следует его оберегать от механических повреждений.
- Закрыть кран
- Открутить пробку
- Извлечь фильтр
- Очистить фильтр
- Вставить фильтр
- Завернуть пробку
- Открыть кран
Документация
Технические характеристики
| Производитель | Stout |
| Тип | шаровой кран |
| Коллекция | SVF |
| Серия | SVF 0002 |
| Артикул | SVF 0002 000025 |
| Номинальный диаметр условного прохода (DN) | 25 мм |
| Номинальное давление (PN) | 30 бар |
| Условная пропускная способность kvs | 5,97 м3/час |
| Форма | прямой |
| Класс по эффективному диаметру | полнопроходной |
| Область применения | системы горячего водоснабжения, системы отопления, системы транспортировки сжатого воздуха и жидких углеводородов |
| Рабочая среда | вода, растворы гликолей до 50% |
| Класс герметичности | A |
| Рабочая температура | от -20°C до +100°C |
| Тип присоединения | резьба |
| Стандарт резьбы | трубная цилиндрическая |
| Вид резьбы | внутренняя/внутренняя |
| Размер резьбы | 1" |
| Размер ячейки сетки | 500 мкм |
| Материал корпуса | латунь CW617N никелированная |
| Материал шара | латунь CW617N хромированная |
| Материал штока | латунь CW614N |
| Материал седла | P.T.F.E. (тефлон) |
| Материал фильтра | сталь AISI 304 + нейлон |
| Материал плоской прокладки | NBR |
| Материал гайки | оцинкованная сталь |
| Тип рукоятки | рукоятка-«бабочка» |
| Материал рукоятки | алюминий |
| Цвет рукоятки | чёрный |
| Температура хранения | от -50°C до +50°C |
| Максимальный изгибающий момент | 46 Н·м |
| Максимальный крутящий момент | 30 Н·м |
| Вес | 511 г |
| Срок службы | 10 лет |
| Официальная гарантия производителя | 2 года |
| Страна-родина бренда | Италия/Россия |
| Страна производства | Италия |
Качество товара
Наша компания закупает продукцию у крупных проверенных поставщиков.
Мы рады предложить Вам качественный оригинальный товар!















